1
前测
2
实验导入
3
实验探究
4
误差分析
5
实验操作
6
实验应用
7
后测

前测题目

完成以下选择题,评估你对电池电动势和内阻实验的了解程度。

1. 电池的电动势是指( )
A. 电池两极间的电压
B. 电池内部非静电力将单位正电荷从负极移到正极所做的功
C. 电池在短路状态下的电流
D. 电池能够提供的最大功率
2. 关于电池内阻,下列说法正确的是( )
A. 新电池的内阻为零
B. 电池内阻随使用时间增加而减小
C. 电池内阻会导致端电压随电流增大而减小
D. 电池内阻不影响电池的输出功率
3. 在U-I图线中,如何得到电池的内阻?( )
A. 图线的纵截距
B. 图线横截距的绝对值
C. 图线斜率的绝对值
D. 图线与U轴交点的值
4. 下列给出多种用伏安法测电池的电动势和内阻的数据处理方法,既能减小偶然误差,又直观、简便的是( )
A. 测出两组I、U的数据,代入方程组E=U₁+I₁r和E=U₂+I₂r,求出E和r
B. 多测几组I、U的数据,求出几组E、r,分别求出其平均值
C. 测出多组I、U的数据,画出U-I图像,再根据图像求出E、r
D. 多测几组I、U的数据,分别求出I和U的平均值,用电压表测出断路时的路端电压即电动势E,再用闭合电路欧姆定律求出电池内阻r
5. (多选)在"用伏安法测电池的电动势和内阻"的实验中,下列说法中错误的是( )
注意:此题是多选题,可以选择多个选项
A. 应选用旧的干电池作为被测电池,以使电压表读数变化明显
B. 应选用内阻较小的电压表和电流表
C. 移动滑动变阻器的滑片时,不能使滑动变阻器短路造成电流表过载
D. 使滑动变阻器阻值尽量大一些,测量误差才小

前测结果

正确率:0/5(0%)

题目解析

识 - 实验导入

从生活现象出发,了解测量电池电动势和内阻的意义。

学习目标

理解电池电动势和内阻的物理意义,掌握实验原理和方法

实验技能

掌握电路连接、数据测量、图表绘制和误差分析技能

科学思维

培养"测量-分析-应用"的科学探究思路

生活应用

应用所学知识解决电池使用和评估的实际问题

电池的"真实身份"探秘

电池是我们日常生活中常见的电源,从遥控器、手电筒到手机、电动汽车,都离不开电池。但是,你是否注意到:

一、情境导入:生活中的电池现象

🎬 情景视频

场景A:遥控车比赛
遥控车突然失灵 - 电池性能下降的表现
场景B:手机电量"跳水"
手机电量突然下降 - 电池内阻增大的表现

思考与讨论

这些问题的答案都与电池的电动势和内阻有关。通过本实验,你将学会如何测量电池的电动势和内阻,从而更好地理解电池的性能。

小组讨论题目:

1. 你遇到过哪些电池"奇怪"的现象?

小组讨论题目:

2. 你认为电池除了电压,还有什么特性影响设备使用?

小组讨论题目:

3. 如何科学判断一块电池是否还能使用?

小组讨论题目:

4. 为什么新电池能让设备工作更久?

小组讨论题目:

5. 为什么旧电池在设备中电压显示正常,但一使用就很快没电?

二、预实验:电池初步检测

🔍 家庭小实验(课前准备)

材料:新旧电池各1节、小灯泡(2.5V)、电压表、导线

步骤:

  1. 测量电池空载电压
  2. 连接小灯泡,再次测量电压
  3. 观察并记录两次电压差异

记录表:

电池状态 空载电压(V) 负载电压(V) 电压变化 灯泡亮度
新电池 ______ ______ ______ ______
旧电池 ______ ______ ______ ______

思考:

为什么接上负载后电压会变化?

探 - 实验探究

探究如何测量电池电动势和内阻,进行定性研究。

探究问题

根据闭合电路欧姆定律,电池的端电压U与电流I、电动势E和内阻r之间的关系为:

U = E - I·r

从这个公式可以看出:

  • 当电路断开时 (I=0),U = E,此时电压表测出的就是电动势
  • 当电路接通时,端电压U会随电流I的增大而减小
  • U-I图线是一条直线,其纵截距为E,斜率的绝对值为r

实验设计思路

要测量电池的电动势E和内阻r,我们可以:

  1. 设计一个电路,可以改变电路中的电流
  2. 测量不同电流下的电池端电压
  3. 记录多组(U, I)数据
  4. 绘制U-I图线
  5. 通过图线求出E和r

现在,让我们进入实验操作部分,进行实际测量。

进入实验操作

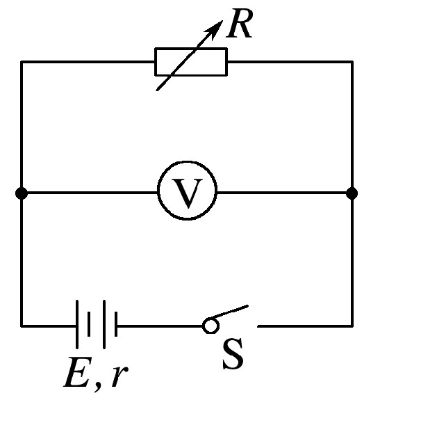
实验电路图设计

思考问题:

请你根据实验原理设计实验电路图,思考应采用电流表外接法还是电流表内接法,说明你的理由。

分析:

在测量电池电动势和内阻的实验中,我们需要考虑电流表的接法对测量结果的影响:

  • 电流表内接法:电流表与电源串联,电压表测量的是电源和电流表的总电压,测得的电动势准确,但内阻测量值偏大(包含了电流表的内阻)。
  • 电流表外接法:电压表直接测量电源电压,电流表测量的是总电流(包含电压表的分流),测得的电动势和内阻都偏小。

对于测量电源电动势和内阻的实验,由于电源内阻一般较小,通常采用电流表外接法(相对于电源来说,电流表外接),这样可以减小电压表分流带来的误差。

五、数据处理

1. 数据记录表

次数 1 2 3 4 5 6 7 8
电压U/V
电流I/A

2. 代数法

运用方程组求解:

E = U₁ + I₁r
E = U₂ + I₂r

将测量得到的两组数据(U₁, I₁)和(U₂, I₂)代入方程组,求解E和r。

步骤:

  1. 选择两组测量数据(U₁, I₁)和(U₂, I₂)
  2. 代入方程组:
    r = (U₁ - U₂)/(I₂ - I₁)
    E = U₁ + I₁r 或 E = U₂ + I₂r
  3. 重复上述步骤,多求几组E和r的值
  4. 分别求出电动势E和内阻r的平均值

3. 图像法

在坐标纸上以电流I为横轴,路端电压U为纵轴,描出所记录的各组I和U值的对应点。根据描出的各实验点作U-I图线,延长U-I图线,从图线与坐标轴的交点确定出电源的电动势和内阻。

U-I图线
图2:U-I图线(纵坐标零始和非零始两种情况)

数据处理方法:

  • 纵坐标零始:图线与纵轴的交点即为电动势E,与横轴的交点I₀为短路电流,内阻
    r = E/I₀
  • 纵坐标非零始:从图线上取两点(U₁, I₁)和(U₂, I₂),计算内阻
    r = |ΔU/ΔI| = |(U₂ - U₁)/(I₂ - I₁)|
    或从图线与纵轴的交点得到电动势E,再任取一点(U₁, I₁)计算内阻
    r = (E - U₁)/I₁

图像法的优点:

  1. 可以减小偶然误差,提高测量精度
  2. 可以直观地看出数据的变化趋势
  3. 可以发现并剔除异常数据点
  4. 可以同时得到电动势E和内阻r的值

4. 两种方法比较

方法 优点 缺点 适用情况
代数法 计算简单、直观 偶然误差较大,只利用了两组数据 快速估算,数据点较少时
图像法 充分利用所有数据,减小偶然误差,直观 需要绘制图线,计算稍复杂 精确测量,数据点较多时

思 - 误差分析

深入分析实验误差来源,掌握不同测量方法的误差特性及其应用。

一、误差分析

偶然误差

主要来源于电压表和电流表的读数不准确,以及作 U-I 图像时描点不准确。

仪表读数误差
描点作图误差
图线拟合误差

系统误差

由于电压表和电流表内阻影响而导致的固有误差。

电表内阻影响
电路连接方式
测量方法固有

1 电流表外接法误差分析

电压表的分流作用导致的测量误差

理论分析

电压表的分流作用使从电流表上读出的数值比流过电源的电流小一些。

理论公式
E = U + (IV + IA)r

其中电压表示数 U 是准确的电源两端电压。U 越大,电压表分流越大,电流表的读数与总电流的偏差就越大。

误差结果
电动势测量值
E< E
内阻测量值
r < r

图示分析

电路示意图
电流表外接电路图
U-I特性曲线
电流表外接U-I曲线

电流表外接法测量时,由于电压表分流作用,使得电流测量值偏小,导致E和r的测量值均小于真实值。

2 电流表内接法误差分析

电流表的分压作用导致的测量误差

理论分析

主要原因是电流表的分压作用。电流表内阻不可忽略,导致电压测量值包含电流表分压。

理论公式
E = U + I(r + rA)

其中 U测 为电流表与电源的总电压,rA 为电流表内阻。

当电流为零时,电流表分压为零,电压为准确定值,等于 E。

误差结果
电动势测量值
E = E
内阻测量值
r > r
(包含电流表内阻)

图示分析

电流表内接U-I曲线
U-I特性曲线

电流表内接法测量时,电流表分压作用使电压测量值偏大,但电动势测量值准确,内阻测量值包含电流表内阻。

测量方法拓展一:安阻法

使用电流表和电阻箱测量电动势和内阻

安阻法原理图
安阻法实验电路图

实验原理

根据闭合电路欧姆定律:

E = I(R + r)

变换可得:

E = IR + Ir

或:

I = E / (R + r)

数据处理方法

方法一:1/I - R 图像法
推荐使用

由 I = E/(R+r) 可得:

1/I = (1/E)R + r/E

以电阻 R 为横轴,电流的倒数 1/I 为纵轴,得到的 1/I - R 图像是一条直线。

斜率 k: k = 1/E
截距 b: b = r/E
计算得: E = 1/k, r = b/k
安阻法图像分析甲
1/I - R 图像
方法二:R - 1/I 图像法

由 E = I(R + r) 可得:

R = E × (1/I) - r

以 1/I 为横轴,电阻 R 为纵轴,得到的 R - 1/I 图像是一条直线。

斜率 k: k = E
截距 b: b = -r
安阻法图像分析乙
R - 1/I 图像

测量方法拓展二:伏阻法

使用电压表和电阻箱测量电动势和内阻

伏阻法原理图
伏阻法实验电路图

实验原理

根据闭合电路欧姆定律:

E = U + Ir

其中电流 I = U/R,代入上式得:

E = U + (U/R)r

变换可得:

1/U = 1/E + (r/E) × (1/R)

数据处理方法

1/U - 1/R 图像法

由 1/U = 1/E + (r/E) × (1/R) 可知:

以 1/R 为横轴,电压的倒数 1/U 为纵轴,得到的 1/U - 1/R 图像是一条直线。

斜率 k: k = r/E
截距 b: b = 1/E
计算得: E = 1/b, r = k/b
伏阻法图像分析
1/U - 1/R 图像

误差分析总结

误差来源

  • 偶然误差:读数误差、描点误差、图线拟合误差
  • 系统误差:电表内阻、电路连接方式、测量方法固有误差

测量方法选择

  • 伏安法:最常用,直接测量U和I,但需注意电表内阻影响
  • 安阻法:适合电流表精度高的情况,避免电压表分流
  • 伏阻法:适合电压表精度高的情况,避免电流表分压

减小误差建议

  • 选择合适量程的电表,减小读数误差
  • 采用图像法处理数据,减小偶然误差
  • 根据待测电源内阻选择合适的测量方法
  • 测量多组数据,取平均值

实验操作

连接真实传感器,进行实际测量,绘制I-U特性曲线。

实验器材

待测电池

干电池(新旧均可)

滑动变阻器

0-50Ω

ESP32传感器

电压/电流传感器模块

其他器材

开关、导线若干

传感器连接

请通过蓝牙连接ESP32传感器模块:

电压传感器

0.000
V
未连接

电流传感器

0.000
A
未连接

实验步骤

  1. 按照电路图连接实验器材
  2. 点击"连接电压传感器"和"连接电流传感器"按钮,连接ESP32传感器模块
  3. 点击"开始接收数据"按钮,开始采集数据
  4. 调节滑动变阻器,改变电路中的电流,记录多组(U, I)数据
  5. 点击"记录数据"按钮保存当前数据点
  6. 观察下方I-U图线的变化
  7. 根据图线计算电池的电动势和内阻

I-U 特性曲线

序号 电压 (V) 电流 (A)

电池电动势 (E)

--

V

电池内阻 (r)

--

Ω

测量数据组数

0

调试信息

[调试] 系统已就绪,等待连接传感器...

拓 - 实验应用

探讨测量电池电动势和内阻在生活中的实际应用。

📗 拓---实验应用部分:从实验室到生活

实际应用案例

案例一:电池筛选

在多节电池串联使用的设备中(如手电筒、遥控车),如果电池性能不一致,性能差的电池会成为整个电路的负担。通过测量每节电池的内阻,可以筛选出性能相近的电池一起使用。

案例二:电池回收

在电池回收过程中,需要判断电池是否还有使用价值。通过测量电动势和内阻,可以快速分类:可继续使用的、需要充电的、应该回收的。

案例三:电动车电池组维护

电动车电池组由数十甚至上百节电池串联而成。定期测量每节电池的内阻,可以及时发现性能下降的电池,避免因个别电池故障影响整个电池组的性能。

一、电池健康检测站

🩺 电池"体检"标准

完整诊断流程:

  1. 外观检查:是否漏液、变形
  2. 空载电压测量:初步判断
  3. 负载电压测量:真实性能
  4. 内阻计算:核心指标
  5. 综合评估:给出"诊断报告"

📊 电池性能分级表

等级 电动势 内阻 适用场景 寿命预估
A级(优秀) ≥标称值95% <0.3Ω 数码相机、游戏手柄 剩余90%以上
B级(良好) 标称值90-95% 0.3-0.8Ω 遥控器、钟表 剩余70-90%
C级(一般) 标称值80-90% 0.8-1.5Ω 低功耗设备 剩余50-70%
D级(需更换) <标称值80% >1.5Ω 不推荐使用 低于50%

二、真实应用挑战

🚗 挑战一:电动车电池组维护

背景:某电动车使用60节18650电池串联,续航突然下降30%

任务:

  1. 设计检测方案,找出问题电池
  2. 提出维修建议
  3. 计算维修成本

数据:

  • 正常电池:电动势3.7V,内阻≤0.05Ω
  • 故障电池:电动势3.2V,内阻0.15Ω

分析:

  • 一节故障电池对整个电池组的影响
  • 为什么需要定期均衡电池组

🔋 挑战二:电池回收分类

场景:你是电池回收站的技术员

任务:设计快速分类流水线

类别 检测标准 处理方式
可再用 E≥标称值90%,r<标称值 清洁后销售
可修复 E=标称值80-90%,r稍大 修复处理
可回收 E<标称值80% 拆解回收
危险品 漏液、变形 专门处理

三、探究项目设计

🧪 长期观测项目:电池的"一生"

目标:跟踪记录一节电池从全新到报废的全过程

观测周期:每周测量一次

记录项目:

  1. 空载电压
  2. 负载电压(使用标准负载)
  3. 计算内阻
  4. 实际使用时间(在固定设备上)
  5. 外观变化

最终报告要求:

  • 绘制电池性能变化曲线
  • 分析性能衰减规律
  • 提出电池使用建议

📚 知识拓展

电池技术发展时间线

1800年
伏打电堆 - 最早的电池
1887年
干电池 - 便携式电源的开端
1950s
碱性电池 - 更高能量密度
1990s
镍氢电池 - 环保可充电
2000s
锂离子电池 - 高能量密度
现在
固态电池 - 更高安全性

未来电池技术展望

  • 固态电池:更高能量密度、更安全
  • 石墨烯电池:充电更快、寿命更长
  • 生物电池:环保可降解

环保小贴士

正确分类处理废旧电池

选择可充电电池减少浪费

支持正规电池回收渠道

🏆 学习成果认证

完成本实验学习后,你可以获得:

  • 基础知识掌握:理解电动势与内阻的物理意义
  • 实验技能提升:掌握电路连接、数据测量与处理技能
  • 科学思维培养:形成"测量-分析-应用"的科学探究思路
  • 生活应用能力:能够科学评估和合理使用电池
思考与讨论答案:

1. 你遇到过哪些电池"奇怪"的现象?

答案示例:新电池电压正常但用不久;旧电池测量电压正常但带不动负载;电池在低温环境下性能急剧下降;手机电量显示还有30%却突然关机。

2. 你认为电池除了电压,还有什么特性影响设备使用?

答案:电池的内阻特性。内阻过大会导致电池在大电流放电时电压迅速下降,即使空载电压正常,也无法支持设备正常工作。

3. 如何科学判断一块电池是否还能使用?

答案:同时测量电池的电动势和内阻。新电池电动势接近标称值且内阻小;旧电池电动势可能下降且内阻变大。单纯测量空载电压是不够的。

4. 为什么新电池能让设备工作更久?

答案:新电池内阻小,放电时电压稳定,能提供更大的电流和更长的放电时间。内阻小意味着电池内部的能量损耗小,更多电能被设备利用。

5. 为什么旧电池在设备中电压显示正常,但一使用就很快没电?

答案:旧电池内阻变大,当有电流通过时,根据U = E - I·r公式,内阻r上会产生较大的压降I·r,导致输出电压U迅速下降,设备无法正常工作。

物理不仅是书本上的公式,更是理解世界的工具。通过这个实验,希望你不仅学会了测量电池的方法,更培养了一双发现问题的眼睛和一颗探索真相的心。科学就在生活中,发现始于好奇。

© 2023 高中物理实验平台

版本:V3.0(增强互动版)

后测题目

完成以下选择题,检验你的学习成果。

1. (2025年广州阶段检测)某同学在设计测电源电动势和内阻的电路时,电压表可视为理想电表,电流表的内阻不能忽略。能精确地测量出电源的电动势和内阻的电路为
题目1电路图
图1:四种测量电路图
A
B
C
D
2. (2024年惠州博罗期中)如图甲所示为测量一节干电池的电动势和内电阻的实验电路图,根据测得的数据作出了如图乙所示的U-I图线,以下实验结论正确的是( )
题目2甲电路图
图2甲:实验电路图
题目2乙U-I图线
图2乙:U-I图线
A. 电池内阻的测量值为3.50 Ω
B. 电池电动势为1.40 V
C. 外电路发生短路时的电流为0.40 A
D. 电压表的示数为1.20 V时,电流表的示数为0.30 A
3. (多选)某学生用电流表和电压表测干电池的电动势和内阻时,所用滑动变阻器的阻值范围为0~20 Ω,连接电路的实物图如图所示。关于该学生接线的说法正确的是( )
题目3实物接线图
图3:实物接线图
注意:此题是多选题,可以选择多个选项
A. 滑动变阻器不起变阻作用
B. 电流表接线有误
C. 电压表量程选用不当
D. 电压表接线不妥
4. (多选)实验测量都存在误差,关于本实验的误差,下列说法中正确的是( )
注意:此题是多选题,可以选择多个选项
A. 由于读数所引起的误差属于偶然误差
B. 利用图像法处理本实验数据可以减小系统误差
C. 由于电压表内阻引起的误差属于系统误差
D. 电压表的内阻越大,其引起的误差越大
5. 某物理兴趣小组计划用实验室提供的下列器材较准确地测量一节干电池的电动势E和内阻r。
A. 电流表:0~0.6 A,内阻2.00 Ω
B. 电压表:0~3 V,内阻约为3 kΩ
C. 滑动变阻器R₁:0~20 Ω,额定电流1 A
D. 滑动变阻器R₂:0~200 Ω,额定电流1 A
E. 开关与导线若干
F. 待测干电池一节

(1) 在上述器材中,为了操作方便且较准确地进行测量,滑动变阻器应选______。
(2) 实验电路图应选择图中的______(填"甲"或"乙")。
(3) 根据实验中电流表和电压表的示数得到如图丙所示的U-I图像,则干电池的电动势E=______V,内阻r=______Ω。(结果均保留2位有效数字)
题目5电路图
图5:甲、乙两种电路图
题目5丙U-I图
图5丙:U-I图像
A. (1)C (2)乙 (3)1.5 0.50
B. (1)D (2)甲 (3)1.5 0.50
C. (1)C (2)甲 (3)1.5 1.00
D. (1)D (2)乙 (3)1.5 1.00

后测结果

正确率:0/5(0%)

题目解析